您好,欢迎访问上海钢跃制泵有限公司!
全国免费热线
+86-21-66306621
上海钢跃制泵有限公司
新闻中心
ews
N
                     
新闻分类
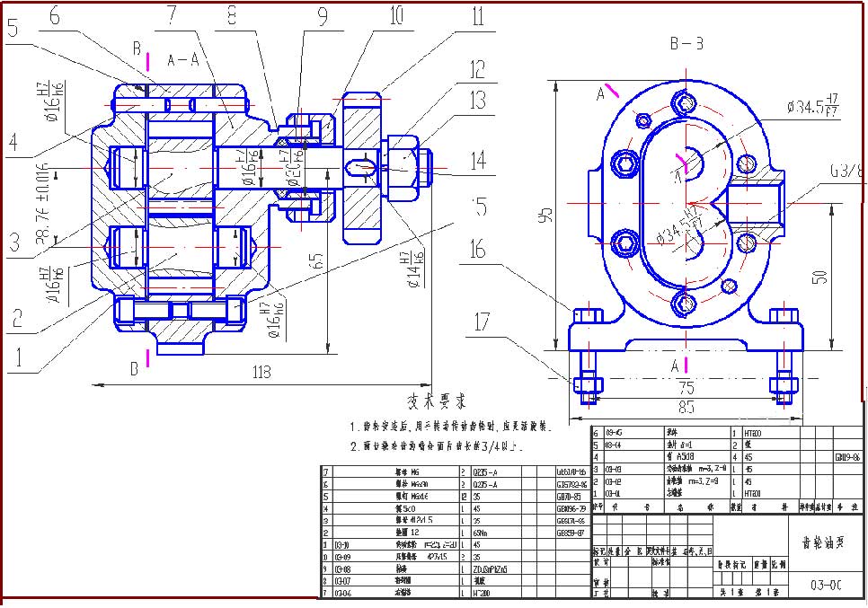
齿轮油泵工作原理及装配图介绍
来源:www.pumpgy.com | 作者:上海钢跃制泵有限公司 | 发布时间: 2018-11-19 | 585 次浏览 | 🔊 点击朗读正文 ❚❚ | 分享到:
齿轮油泵装配图泵介绍:
齿轮油泵装配图是表达机器或部件的图样,主要表达其工作原理和装配关系。

齿轮油泵装配图的特点: 
1. 在机器设计过程中,装配图的绘制位于零件图之前。
2. 装配图与零件图的表达内容不同,它主要用于机器或部件的装配、调试、安装、维修等场合,也是生产中的一种重要的技术文件。


齿轮油泵的装配图

齿轮油泵装配图

二、测绘步骤如下:

1.了解测绘对象
    首先阅读本指导书和教材中有关章节,并通过对齿轮油泵实物的拆卸和装配过程,全面了解齿轮油泵的工作原理、结构特点、装配关系。具体要求如下:
     (1了解齿轮油泵的工作原理。即:吸油、压油原理及油的流动路线、限压阀的工作原理及限压阀的泄油路线;
     (2根据实物,并参照装配示意图,弄清齿轮油泵中各个零件的结构特点,零件之间的装配关系和配合性质。
2.画出泵体、泵盖零件草图和零件工作图,除应遵守零件测绘各项规则外,还应注意:
   (1)选择主视图时应考虑到装配图的主视图的选择,尽可能使零件的安放位置与装配图上一致,以便绘制装配图;
   (2)在零件图上标注尺寸时应充分考虑到装配关系和工作原理,把重要尺寸直接从主要基准注出来。基准的选择也要根据装配关系和工作原理进行分析确定;
   (3)公差的选择可参超附注3选择后查表注出偏差。
3.根据泵体、泵盖零件图,和附图中给出的其它零件图,画出齿轮油泵装配图,要求:
   (1绘制装配图之前,要认真看懂装配示意图和附图中给出的其它零件图;
   (2)选择主视图时,应把齿轮油泵的工作原理,主要装配关系表达清楚;
   (3)应注出配合尺寸、装配尺寸、性能尺寸、外形尺寸和安装尺寸;
   (4)应注出技术要求。

三、 除齿轮油泵泵体、泵盖以外的零件图
齿轮油泵配件图
上海钢跃制泵有限公司
销售热线:+86-21-66306621
工作传真:+86-21-56773873
反馈邮箱:pumpsh@126.com
地址:
上海市宝山区美平路696号